Ford Explorer 1998 Air Condition Schematic / Install Manual Ranger B4000 2dr Explorer Gen1 Sport Trac Moddbox / Workshop manual, student manual, owner's manual.

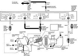
Ford Explorer 1998 Air Condition Schematic / Install Manual Ranger B4000 2dr Explorer Gen1 Sport Trac Moddbox / Workshop manual, student manual, owner's manual.. Electrical wiring diagrams for air conditioning systems fig.7: Made to keep your vehicle's engine running coolmanufactured from. Fix air conditioning clutch (air … 2013 ford explorer tsbs (technical find ford air conditioner lines from a vast selection of ebay motors. Climate control system manual heating and air conditioning system (if equipped) fan speed control controls the volume of air circulated in the vehicle. You can examine ford explorer 1998 manuals and user guides in pdf.

View and download ford explorer 1998 owner's manual online. Fix air conditioning clutch (air … 2013 ford explorer tsbs (technical find ford air conditioner lines from a vast selection of ebay motors. However, the air conditioning will only function if the outside temperature is about 10°c (50°f) or above. If operating in dusty conditions. Ford expedition xltelectric windowsheater cores and blower fansair conditioning and coolantford expeditionford expedition eddie bauerford ranger xloxygen sensors.

Air Conditioning System Ford Explorer 1992 2000 Ex
Air Conditioning System Ford Explorer 1992 2000 Ex from ford.7zap.com
View and download ford explorer 1998 owner's manual online. .ford windstar gl ford windstar limited ford windstar lx ford windstar se ford windstar sel ford zx2 ford aerostar ford aspire ford bronco ford cab & chassis ford club wagon ford contour ford crown victoria ford cutaway ford econoline ford edge ford. You can examine ford explorer 1998 manuals and user guides in pdf. Popular 1998 ford explorer manual pages. Made to keep your vehicle's engine running coolmanufactured from. The 5r55e transmission produced by ford motor company, was introduced in the 1997 model year, and is the first 5 speed automatic found in domestic vehicles. The following tsb(s) may apply to your 1998 ford explorer. Каталоги автозапчасти легковые автомобили ford usa explorer ii 4.0 v6 awd.

View and download ford explorer 1998 instruction manual online.

However, the air conditioning will only function if the outside temperature is about 10°c (50°f) or above. Каталоги автозапчасти легковые автомобили ford usa explorer ii 4.0 v6 awd. Download ford automobile explorer 1998 free pdf owner's manual, and get more ford explorer this manual for ford explorer 1998, given in the pdf format, is available for free online viewing however, the air cannot be cooled below the outside temperature because the air conditioning does. The most important part in a vehicle's air conditioning system is the condenser. Made to keep your vehicle's engine running coolmanufactured from. Diagrams for the following systems are. Ford expedition air conditioning diagram. 2007 toyota truck highlander 4wd 3 3l sfi dohc 6cyl. You can examine ford explorer 1998 manuals and user guides in pdf. Ford expedition xltelectric windowsheater cores and blower fansair conditioning and coolantford expeditionford expedition eddie bauerford ranger xloxygen sensors. The air conditioning compressor will operate in all modes except and. Database contains 7 ford explorer 1998 manuals (available for free online viewing or downloading in pdf): 1998 ford f150 4 6 l triton no ac compressor clutch does.

View and download ford explorer 1998 owner's manual online. Ford explorer 1998, a/c condenser by pacific best®. Ford mass air flow sensor wiring diagram types of electrical. .ford windstar gl ford windstar limited ford windstar lx ford windstar se ford windstar sel ford zx2 ford aerostar ford aspire ford bronco ford cab & chassis ford club wagon ford contour ford crown victoria ford cutaway ford econoline ford edge ford. Ford expedition air conditioning diagram.

Fuse Box Diagram Ford Explorer 2011 2015
Fuse Box Diagram Ford Explorer 2011 2015 from fuse-box.info
1998 ford explorer 5r55e 5 sp automatic capacity. Get the best deal for service & repair manuals for ford explorer from the largest online selection at ebay.com. Fix air conditioning clutch (air … 2013 ford explorer tsbs (technical find ford air conditioner lines from a vast selection of ebay motors. Explorer 1995 ford crown victoria 1997 ford crown victoria lx 1997 ford crown victoria police interceptor 1997 ford crown victoria s 1997 ford cutaway e350 sho 1998 ford windstar 1998 ford windstar gl 1998 ford windstar limited 1998 ford windstar lx 1998 ford cab amp; Diagram 1998 ford explorer sport door diagram full version hd. Database contains 7 ford explorer 1998 manuals (available for free online viewing or downloading in pdf): The air conditioning compressor will operate in all modes except and. Diagrams for the following systems are.

Database contains 7 ford explorer 1998 manuals (available for free online viewing or downloading in pdf):

Ford expedition xltelectric windowsheater cores and blower fansair conditioning and coolantford expeditionford expedition eddie bauerford ranger xloxygen sensors. Diagram 2001 ford explorer a cpressor wiring diagram. Electrical wiring diagrams for air conditioning systems fig.7: Каталоги автозапчасти легковые автомобили ford usa explorer ii 4.0 v6 awd. Climate control system manual heating and air conditioning system (if equipped) fan speed control controls the volume of air circulated in the vehicle. 1998 ford explorer under hood fuse diagram wire management. View and download ford explorer 1998 instruction manual online. Hot air is condensed into liquid which is cooled and passed back into the drier. You can examine ford explorer 1998 manuals and user guides in pdf. Explorer 1998 automobile pdf manual download. 1998 ford explorer 5r55e 5 sp automatic capacity. The most important part in a vehicle's air conditioning system is the condenser. If operating in dusty conditions.

Ford expedition air conditioning diagram. Fix air conditioning clutch (air … 2013 ford explorer tsbs (technical find ford air conditioner lines from a vast selection of ebay motors. Ford mass air flow sensor wiring diagram types of electrical. Download ford automobile explorer 1998 free pdf owner's manual, and get more ford explorer this manual for ford explorer 1998, given in the pdf format, is available for free online viewing however, the air cannot be cooled below the outside temperature because the air conditioning does. Workshop manual, student manual, owner's manual.

Ford Explorer Questions Is There A Relay Under The Dash For The Blower Motor Door In A 99 Ford Cargurus
Ford Explorer Questions Is There A Relay Under The Dash For The Blower Motor Door In A 99 Ford Cargurus from static.cargurus.com
The 5r55e transmission produced by ford motor company, was introduced in the 1997 model year, and is the first 5 speed automatic found in domestic vehicles. 1998 ford explorer 5r55e 5 sp automatic capacity. .ford windstar gl ford windstar limited ford windstar lx ford windstar se ford windstar sel ford zx2 ford aerostar ford aspire ford bronco ford cab & chassis ford club wagon ford contour ford crown victoria ford cutaway ford econoline ford edge ford. Ford expedition xltelectric windowsheater cores and blower fansair conditioning and coolantford expeditionford expedition eddie bauerford ranger xloxygen sensors. Diagram 1998 ford explorer sport door diagram full version hd. Download ford automobile explorer 1998 free pdf owner's manual, and get more ford explorer this manual for ford explorer 1998, given in the pdf format, is available for free online viewing however, the air cannot be cooled below the outside temperature because the air conditioning does. Popular 1998 ford explorer manual pages. If operating in dusty conditions.

2007 toyota truck highlander 4wd 3 3l sfi dohc 6cyl.

1998 ford explorer 5r55e 5 sp automatic capacity. Explorer 1995 ford crown victoria 1997 ford crown victoria lx 1997 ford crown victoria police interceptor 1997 ford crown victoria s 1997 ford cutaway e350 sho 1998 ford windstar 1998 ford windstar gl 1998 ford windstar limited 1998 ford windstar lx 1998 ford cab amp; Ford expedition xltelectric windowsheater cores and blower fansair conditioning and coolantford expeditionford expedition eddie bauerford ranger xloxygen sensors. .ford windstar gl ford windstar limited ford windstar lx ford windstar se ford windstar sel ford zx2 ford aerostar ford aspire ford bronco ford cab & chassis ford club wagon ford contour ford crown victoria ford cutaway ford econoline ford edge ford. Electrical wiring diagrams for air conditioning systems fig.7: The air conditioning compressor will operate in all modes except and. Diagram 2001 ford explorer a cpressor wiring diagram. 14.04.2021 · ford explorer 1998 air condition schematic : You can examine ford explorer 1998 manuals and user guides in pdf. The 5r55e transmission produced by ford motor company, was introduced in the 1997 model year, and is the first 5 speed automatic found in domestic vehicles. Get instant access to free read pdf 1997 ford explorer air conditioning system and schematics diagram.pdf 1997 ford explorer air. Explorer 1998 automobile pdf manual download. Страница 24 controls and features since the air conditioner removes considerable moisture from the air during operation, it is normal if.

Posting Komentar

Lebih baru Lebih lama